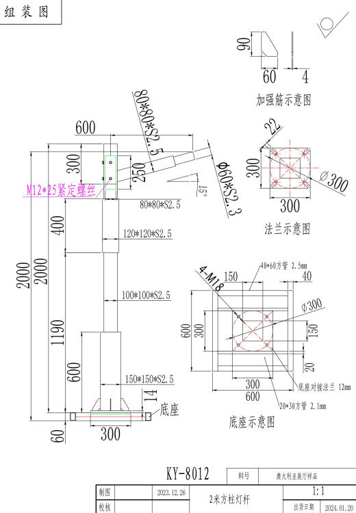
The pipes are cut with a laser, and the two sections are inserted to a certain depth. Rivet welding technology is used, making the joints smooth and stable with good strength.
The spliced light pole, also known as a jointed light pole, is a common support structure for lighting equipment with a wide range of applications.
These include road lighting, landscape lighting, sports venue lighting, industrial park and warehouse lighting, commercial and residential area lighting, and port and airport lighting.
Due to its ease of assembly, structural stability, and versatility, the spliced light pole is widely used in these fields, meeting the lighting needs of various locations.
The spliced light pole, also known as a jointed light pole, is a common support structure for lighting equipment with a wide range of applications.